Mediterranean Modern Kitchen
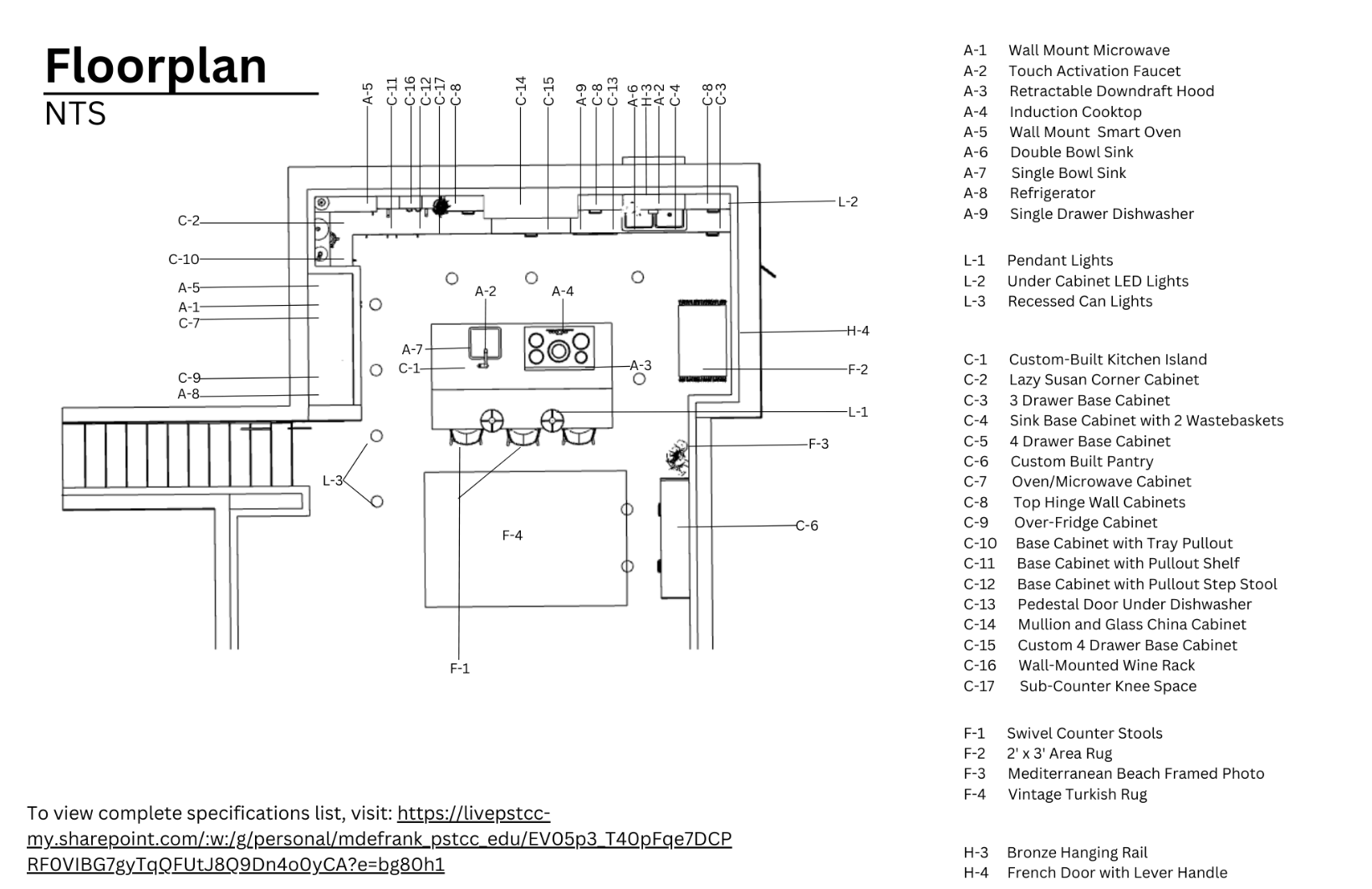
This kitchen was the winning design of the Interior Design Society’s 2024 “Student Designer of the Year” Competition. The clients were a married couple who wanted their home to be safe and accessible as they aged, but not feel “old.” This project entailed redesigning the floor plan (with much consideration to aging-in-place best practices), creating design boards, specifying appliances and cabinetry, and creating a 3D model for renderings.








